|
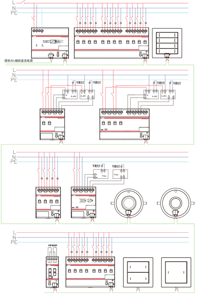
设备供电 |
21—30V DC 12mA(max) |
|
功耗 <360mW |
|
|
输出参数 |
负载电压 110—250V AC 50/60Hz |
|
负载电流 16A |
|
|
每路功率损耗 1.5W |
|
|
温度范围 |
正常运行 -5--45℃ |
|
储存温度 -25--55℃ |
|
|
运输温度 -25--75℃ |
|
|
安装方式 |
标准35mm轨道安装 |
|
设备供电 |
21—30V DC 12mA(max) |
|
功耗 <360mW |
|
|
输出参数 |
负载电压:110—250V AC 50/60Hz |
|
负载电流: 16A |
|
|
0-10V DC调光信号 |
|
|
温度范围 |
正常运行 -5--45℃ |
|
储存温度 -25--55℃ |
|
|
运输温度 -25--75℃ |
|
|
安装方式 |
标准35mm轨道安装 |
|
设备供电 |
21—30V DC 12mA(max) |
|
功率 <360mW |
|
|
感应参数 |
人体感应距离5-7m |
|
光照度感应0-65535lux |
|
|
温度范围 |
正常运行 -5--45℃ |
|
储存温度 -25--55℃ |
|
|
运输温度 -25--75℃ |
|
|
安装方式 |
嵌入式吸顶安装 |
|
设备供电 |
21—30V DC 12mA(max) |
|
功耗 <360mW |
|
|
输入参数 |
按键输入 |
|
温度范围 |
正常运行 -5--45℃ |
|
储存温度 -25--55℃ |
|
|
运输温度 -25--75℃ |
|
|
安装方式 |
标准86盒安装 |
|
设备供电电压 |
21—30V DC 12mA(max) |
|
功率 <360mW |
|
|
输入类型 |
外接干接点信号 |
|
温度范围 |
正常运行 -5--45℃ |
|
储存温度 -25--55℃ |
|
|
运输温度 -25--75℃ |
|
|
安装方式 |
标准35mm轨道安装 |
|
输入参数 |
85~265V AC 50/60Hz |
|
输出参数 |
输出电压 30V DC |
|
输出电流 640mA |
|
|
短路电流 1.3A |
|
|
温度范围 |
正常运行 -5--45℃ |
|
储存温度 -25--55℃ |
|
|
运输温度 -25--75℃ |
|
|
安装方式 |
标准35mm轨道安装 |
















