ANAPF有源电力滤波器

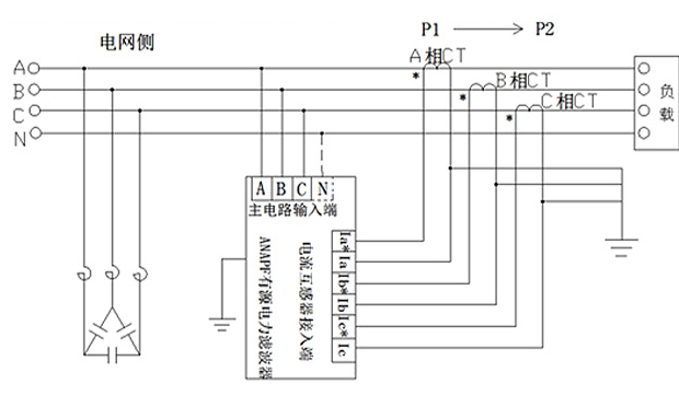
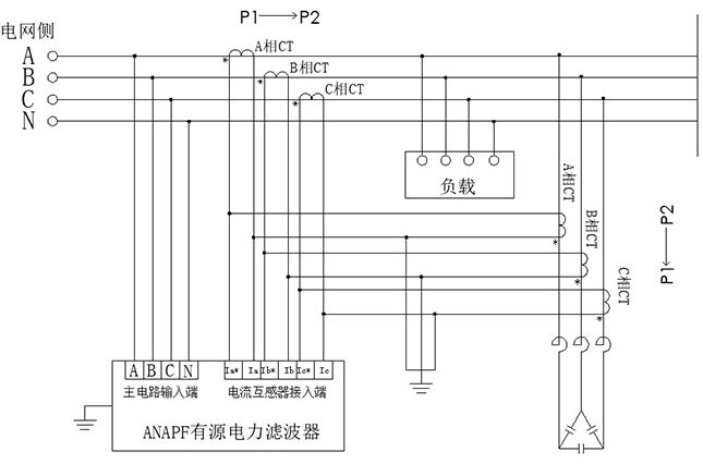
产品简介:ANAPF系列有源电力滤波器通过电流互感器采集系统谐波电流,经控制器快速计算并提取各次谐波电流的含量,产生谐波电流指令,通过功率执行器件产生与谐波电流幅值相等方向相反的补偿电流,并注入电力系统中,从而抵消非线性负载所产生的谐波电流。
  • 产品简介
  • 技术参数
  • 应用组网图
  • 外形安装
  • 产品报价
功能:
ANAPF系列有源电力滤波器通过电流互感器采集系统谐波电流,经控制器快速计算并提取各次谐波电流的含量,产生谐波电流指令,通过功率执行器件产生与谐波电流幅值相等方向相反的补偿电流,并注入电力系统中,从而抵消非线性负载所产生的谐波电流。
 
应用范围:
适用于并联在含谐波负载的低压配电系统中,能够对动态变化的谐波电流进行快速实时的跟踪和补偿。
 
订货范例:
具体型号:ANAPF150-380/BGL
技术要求:谐波补偿电流150A,线电压等级380V 。
接线方式:三相四线
安装方式:立柜式
互感器接线方式:负载侧
客服1
客服2
客服3
客服4