关中环线金渠阀室扩建分输站工程消防应急照明和疏散指示系统的研究与应用

基本信息:
项目名称:关中环线金渠阀室扩建分输站工程 消防应急照明和疏散指示系统
项目地点:陕西
实施时间:
项目简介:
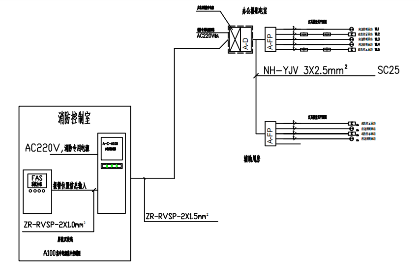
关中环线金渠阀室扩建分输站工程位为陕西省宝鸡市眉县霸王河工业园区宴家村,现场由一栋3层的办公楼以及一栋一层的辅助用房组成,辅助用房内有燃气锅炉和燃气发电机,此部分有防爆要求。设计一套系统实现整个天然气分输站的应急照明控制,减少灾害发生时的人员伤亡,降低财产损失。
系统实现的功能:
1.消防联动
2.系统监控
3.系统自检
4.记录查询
5.导光流
客服1
客服2
客服3
客服4